China K72 Four-Jaw Independent Chuck Manufacturer | Hoton Supplies
Welcome to our websites!

K72 SERIES FOUR-JAW INDEPENDENT CHUCK

Short Description:

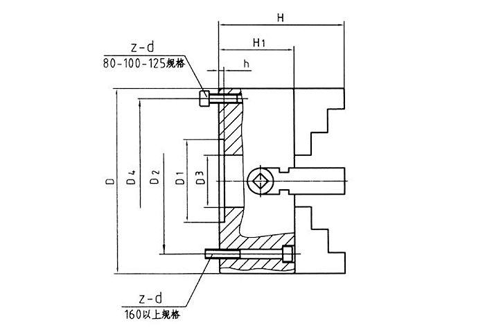
K72 SERIES FOUR-JAW INDEPENDENT CHUCK K72 series Four-jaw independent chuck adopts short cylinder and short circular cone shape,Short circular cone shape can be subdivided into two types according to the way of joining with the rod of machine tool:Type A(joined with screw),Type C(bolt locking joint),Type D(pull rod,cam locking joint). SPECIFICATIONS: Model  Size D D1 D2 D3 H H1 h Z-d K72160 65 95 45 93 65 5 4-M10 K72200 75 95 56 107 75 6 ...


Product Detail

Product Tags

K72 SERIES FOUR-JAW INDEPENDENT CHUCK

图片5

K72 series Four-jaw independent chuck adopts short cylinder and short circular cone shape,Short circular cone shape can be subdivided into

two types according to the way of joining with the rod of machine tool:Type A(joined with screw),Type C(bolt locking joint),Type D(pull rod,cam locking joint).

SPECIFICATIONS:

Model
 Size D

D1

D2

D3

H

H1

h

Z-d

K72160

65

95

45

93

65

5

4-M10

K72200

75

95

56

107

75

6

4-M10

K72250

110

130

75

120

80

6

4-M12

K72315 K72320

140

165

95

138

90

6

4-M16

K72350

130

168

95

138

90

6

4-M16

140

K72400

160

185

125

143

95

8

4-M16

K72500

200

236

160

160

105

8

4-M20

K72520

260

300

205

160

105

10

4-M16

K72630

220

258

180

180

118

10

4-M20

K72800

250

300

210

202

132

12

8-M20

K72 series Four-jaw independent chuck A type

K72 series Four-jaw independent chuck adopts short cylinder and short circular cone shape,Short circular cone shape can be subdivided into two types according to the way of joining with the rod of machine tool:Type A(joined with screw),Type C(bolt locking joint),Type D(pull rod,cam locking joint).

 

Model
Size D

short-taper No

D1

D2

D3

H

H1

h

h1

h2

d1

Z-d

K72160

4

63.513

82.6

45

93

65

13

10

6.5

14.7

4-M10

K72200

56

107

75

K72250

4

63.513

82.6

61

120

80

13

10

6.5

14.7

4-M10

K72315

4

63.513

82.6

61

138

90

-

10

6.5

14.7

4-M10

K72320

K72350

K72200

6

106.375

133.4

56

107

75

16

13

6.5

19.5

4-M12

K72250

6

106.375

133.4

75

120

80

16

13

6.5

19.5

4-M12

K72315

6

106.375

133.4

95

138

90

16

13

6.5

19.5

4-M12

K72320

K72350

K72400

6

106.375

133.4

95

143

95

16

13

6.5

19.5

4-M12

K72500

6

106.375

133.4

103

160

105

-

13

6.5

19.5

4-M12

K72520

8

139.719

171.4

75

120

80

18

14

8

24.2

4-M16

K72315

8

139.719

171.4

95

138

90

18

14

8

24.2

4-M16

K72320

K72350

K72400

8

139.719

171.4

125

143

95

18

14

8

24.2

4-M16

K72500

8

139.719

171.4

136

160

105

-

14

8

24.2

4-M16

K72315/K72320

11

196.869

235

95

138

90

20

16

10

29.4

4-M20

K72350/K72400

125

143

95

K72500/K72520

11

196.869

235

160

160

105

20

16

10

29.4

4-M20

K72630

180

180

115

K72500

15

285.775

330.2

160

160

105

21

16

10

35.7

4-M22

K72630

180

180

115

 

 


  • Previous:
  • Next:

  • Send your message to us:

    Send your message to us:

    WhatsApp Online Chat !